7.8 Multiplier
1. Tujuan [Kembali]Tujuan dari dibuatnya blog ini adalah:- Untuk mengetahui dasar teori dari rangkaian dan IC multiplier
- Mengetahui dan memahami cara kerja IC multiplier
2. Komponen [Kembali]Komponen yang digunakan pada rangkaian ini adalah antara lain:a. IC 74284Gambar 1. Gambar IC 74284
IC 74284 adalah sebuah IC performa tinggi yang mengimplementasikan rangkaian internal TTL (Transistor transistor logic) yang digunakan untuk perkalian dua angka biner 4 bit secara paralel, maksud paralel disini adalah perkalian dua angka biner tersebut langung terjadi pada outputnya. Untuk karakteristik dari IC ini sendiri antara lain:- Berfungsi mengalikan dua buah angka biner 4 bit yang menghasilkan hasil angka biner 8 bit dengan kecepatan 40 ns
- Dapat diperluas untuk N bit input n bit output, dengan salah satu contoh perkalian yang menghasilkan angka biner 16 bit (proses memerlukan waktu 70ns), dan perkalian 2 angka 16 bit yang membentuk ouptut angka biner 32 bit (memakan waktu sekitar 103ns).
- Dapat digunakan di banyak aplikasi rangkaian TTL.
- Terdapat dioda clamper pada input untuk menyederhanakan design dari sistem.
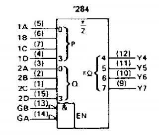
Pinout dari IC 74824 adalah sebagai berikut:
Gambar 2. Pinout dari IC 74284
b. IC 74285Gambar 3. IC 74285
IC 74285 juga merupakan bagian keluarga IC 74000 (sama dengan IC 74284), ini mengimpliaksikan bahwa perbedaan yang dimiliki kedua IC ini tidak terlalu signifikan, yang membedakannya adalah pelabelan pada outputnya, yang dimana pada output IC 74285 dari Y0-Y3 sementara label output pada IC 74284 dari Y3-Y7. Pin out dari IC 74285 adalah sebagai berikut:Gambar 4. Pinout 74285
c. logic state indicator
Gambar 5. Logic state
Adalah sebuah penanda, digunakan untuk menset input digital dari sebuah rangkaian maupun sistem digital
d. Logicprobe Logic probe atau logic tester adalah alat yang biasa digunakan untuk menganalisa dan mengecek status logika (High atau Low) yang keluar dari rangkaian digital. Objek yang diukur oleh logic probe ini adalah tegangan oleh karena itu biasanya rangkaian logic probe harus menggunakan tegangan luar (bukan dari rangkaian logika yang ingin diukur) seperti baterai. Alat ini biasa digunakan pada IC TTL ataupun CMOS (Complementary metal-oxide semiconductor).
Logic probe menggunakan dua lampu indikator led yang berbeda warna untuk membedakan keluaran High atau Low. Yang umum dipakai yaitu LED warna merah untuk menandakan output berlogika HIGH (1) dan warna hijau untuk menandakan output berlogika LOW(0).
3. Dasar Teori [Kembali]Dasar teori dari rangkaian ini didapat dari teori mengenai perkalian angka biner. Metode perkalian angka biner mirip dengan metode perkalian angka decimal, dan pada beberapa situasi lebih mudah karena hanya menggunakan dua buah digit saja, yakni angka 1 dan angka 0. Tabel berikut menjelaskan skenario dari perkalian angka binerGambar 7. Tabel perkalian biner
Contoh perkalian biner, misalkan terdapat 2 buah angka biner dengan angka biner 1010 (desimal 10) sebagai besar angka yang akan dikali, dan angka bner 1011 (desimal 11) sebagai pengali. Cara mengalikan angka biner ini sama seperti mengalikan angka desimal.Dimulai dari LSB angka biner pengali (1) dikalikan ke masing - masing digit angka yang akan dikali, maka akan mengahsilkan 1011, ini disebut produk parsial pertama. digit sebelah kiri LSB pengali kemudian dikalikan dengan angka yang akan dikali, maka untuk hasilnya adalah 1011, pada perkalian kedua ini, peletakan angka hasil kalinya digeser ke kiri sebanyak 1 digit (shift 1 digit), lalu begitu seterusnya sampai menghasilkan n buah produk parsial sesuai dengan berapa bit angka biner tersebut. Untuk proses lebih jelasnya dapat dilihat pada gambar berikut:Gambar 8. Proses perkalian angka biner
Maka angka menghasilkan angka biner 1101110 (110 dalam decimal, sesuai jika dikalikan dalam bentuk decimalnya 10 * 11 = 110).
4. Prinsip Kerja [Kembali]Dikarenakan komponen dari rangkaian yang digunakan adalah sebuah IC, maka untuk IC nya tersebut masing - masing memiliki 4 input (angka biner) sebagai angka pertama, dan 4 input satu lagi (juga merupakan angka biner) sebagai angka kedua. Dan masing - masing dari ouput nya tersebut mengeluarkan angka 4 bit jadi setiap ini merupakan rangkaian multiplier 8 input yang menghasilkan 4 angka biner.
Ketika 4 bit angka pertama diatur sedemikian rupa misalnya biner 0101 (atau dalam desimal 5), diinputkan kedalam IC tersebut, maka IC tersebut akan membaca 4 bit angka kedua, terdapat dua buah kondisi yang dapat terjadi dalam pembacaan angka ini, bila angka kedua/pertama adalah 0. Maka tidak peduli seberapa besar angka selain 0 tersebut output angka biner dari IC tersebut adalah 0. Ini sesuai dengan aturan perkalian pada desimal maupun pada biner. Dan jika kedua angka lebih besar dari 0, maka rangkaian tersebut akan mengeluarkan output perkalian sesuai masukan input angka 4 bit yang diberikan
5. Gambar Rangkaian [Kembali]Untuk gambar rangkaian pada blog kali ini adalah sebagai berikut:a. Ketika dua buah angka bit dikalikan dengan angka besar dari 0
b. Ketika terdapat salah satu angka bit yang bernilai 0
6. Video Rangkaian [Kembali]Penjelasan melalui video dapat diperhatikan pada video dibawah ini:
Example:1. Kalikan dua buah bilangan biner 1001 (desimal 9) dengan bilangan biner 1011(desimal 11) menggunakan metode partial product!jawab: Berdasarkan teori yang telah dibahas, perkalian angka biner hampir mirip dengan perkalian pada bilangan desimal 10. Kita mulai dari LSB angka biner pengali yang dikalikan ke angka yang akan dikali, pada contoh ini 1 ke 1001 akan menghasilkan output 1001. Kemudian untuk digit kedua dari pengali dikalikan ke angka dikali, pada perkalian digit kedua ini mengalamai pergeseran satu kolom kekiri, lalu begitu seterusnya. Untuk tabelnya adalah sebagai berikut:Gambar 11. Perkalian example
Setelah setiap partia product dijumlahkan maka didapat hasil akhir dari perkalian dua angka biner tersebut yakni 1100011 (dalam desimal 99).
2. Apa itu parallel multiplier?Parallel multiplier adalah tipe multiplier yang menerima input dan output secara bersamaan (tidak menggunakan register untuk menyimpan datan terlebih dahulu), data yang diterima langsung diproses untuk dijadikan pada ouptut
Mulltiple choice problem1. Tentukan gambar gerbang logika yang prinsip kerjanya adalah perkalian inpuntya. A. B
1. Tujuan [Kembali]
- Untuk mengetahui dasar teori dari rangkaian dan IC multiplier
- Mengetahui dan memahami cara kerja IC multiplier
Gambar 1. Gambar IC 74284
IC 74284 adalah sebuah IC performa tinggi yang mengimplementasikan rangkaian internal TTL (Transistor transistor logic) yang digunakan untuk perkalian dua angka biner 4 bit secara paralel, maksud paralel disini adalah perkalian dua angka biner tersebut langung terjadi pada outputnya. Untuk karakteristik dari IC ini sendiri antara lain:
- Berfungsi mengalikan dua buah angka biner 4 bit yang menghasilkan hasil angka biner 8 bit dengan kecepatan 40 ns
- Dapat diperluas untuk N bit input n bit output, dengan salah satu contoh perkalian yang menghasilkan angka biner 16 bit (proses memerlukan waktu 70ns), dan perkalian 2 angka 16 bit yang membentuk ouptut angka biner 32 bit (memakan waktu sekitar 103ns).
- Dapat digunakan di banyak aplikasi rangkaian TTL.
- Terdapat dioda clamper pada input untuk menyederhanakan design dari sistem.
Pinout dari IC 74824 adalah sebagai berikut:
Gambar 2. Pinout dari IC 74284
Gambar 3. IC 74285
IC 74285 juga merupakan bagian keluarga IC 74000 (sama dengan IC 74284), ini mengimpliaksikan bahwa perbedaan yang dimiliki kedua IC ini tidak terlalu signifikan, yang membedakannya adalah pelabelan pada outputnya, yang dimana pada output IC 74285 dari Y0-Y3 sementara label output pada IC 74284 dari Y3-Y7. Pin out dari IC 74285 adalah sebagai berikut:
Gambar 4. Pinout 74285
Gambar 5. Logic state
Adalah sebuah penanda, digunakan untuk menset input digital dari sebuah rangkaian maupun sistem digital
Logic probe menggunakan dua lampu indikator led yang berbeda warna untuk membedakan keluaran High atau Low. Yang umum dipakai yaitu LED warna merah untuk menandakan output berlogika HIGH (1) dan warna hijau untuk menandakan output berlogika LOW(0).
Gambar 7. Tabel perkalian biner
Contoh perkalian biner, misalkan terdapat 2 buah angka biner dengan angka biner 1010 (desimal 10) sebagai besar angka yang akan dikali, dan angka bner 1011 (desimal 11) sebagai pengali. Cara mengalikan angka biner ini sama seperti mengalikan angka desimal.
Dimulai dari LSB angka biner pengali (1) dikalikan ke masing - masing digit angka yang akan dikali, maka akan mengahsilkan 1011, ini disebut produk parsial pertama. digit sebelah kiri LSB pengali kemudian dikalikan dengan angka yang akan dikali, maka untuk hasilnya adalah 1011, pada perkalian kedua ini, peletakan angka hasil kalinya digeser ke kiri sebanyak 1 digit (shift 1 digit), lalu begitu seterusnya sampai menghasilkan n buah produk parsial sesuai dengan berapa bit angka biner tersebut. Untuk proses lebih jelasnya dapat dilihat pada gambar berikut:
Gambar 8. Proses perkalian angka biner
4. Prinsip Kerja [Kembali]
6. Video Rangkaian [Kembali]
Gambar 11. Perkalian example
Setelah setiap partia product dijumlahkan maka didapat hasil akhir dari perkalian dua angka biner tersebut yakni 1100011 (dalam desimal 99).
2. Apa itu parallel multiplier?
Parallel multiplier adalah tipe multiplier yang menerima input dan output secara bersamaan (tidak menggunakan register untuk menyimpan datan terlebih dahulu), data yang diterima langsung diproses untuk dijadikan pada ouptut
Mulltiple choice problem
1. Tentukan gambar gerbang logika yang prinsip kerjanya adalah perkalian inpuntya.
A. B




.jpeg)

.jpeg)




Tidak ada komentar:
Posting Komentar